-
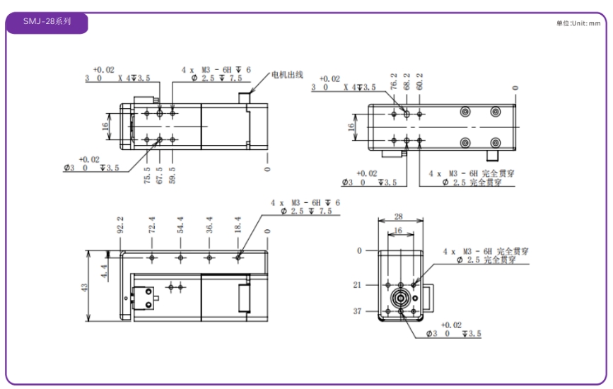
SMJ-28-42-微型电动缸系列
苏州捷祥智能科技有限公司是一家高科技企业,SMJ是一家注于高精密运动平台及高精密运动组件领域。公司自主承担从研发设计、生产制造到销售服务的全流程业务。其占地面积达3千平方米,组建了汇聚专业人才的研发设计团队,凭借先进技术与创新能力,致力于为相关制造行业提供优质产品服务。
全国服务热线:13621558979
苏州捷祥智能科技有限公司是一家高科技企业,SMJ是一家注于高精密运动平台及高精密运动组件领域。公司自主承担从研发设计、生产制造到销售服务的全流程业务。其占地面积达3千平方米,组建了汇聚专业人才的研发设计团队,凭借先进技术与创新能力,致力于为相关制造行业提供优质产品服务。
公司生产的多轴线轨高精密运动平台、多轴气浮高精密运动平台、大尺寸气浮高精密运动平台、单轴或多轴模组及直线电机等,为半导体、显示面板、新能源和自动化等领域提供整体解决方案,一直以来不断实现技术突破,缩小与国际先进水平差距,加速国产化替代进程,增强了高端装备制造供应链安全性与稳定性。
捷祥智能拥有高标准机加车间,对所需加工的零部件严格把控质量,所有零部件均100%通过CMM全检。为了满足精运动平台及部件的装配和测试的严苛要求,公司还配备了获得国际认证的洁净室。在产品检测方面,运用激光干涉仪进行测量,在确保精度的基础上,始终致力于追求卓越品质。
-
-
源头把控品质
•我们坚信“好材料成就好产品”,从源头定义品质标准,长交期物料,供应商处设立独立仓库,99%供应商位置距离在30公里以内,能快速响应,快速交付,通过原材料的严格把控,直线电机推力波动率控制在≤1%,伺服电缸寿命测试后精度衰减<0.5μm,基础性能远超行业平均水平
-
-
生产全流程品控
•我们构建了从材料选型到精密加工、从组装测试到售后调优的完整闭环。2000㎡现代化工厂支持非标定制快速打样,7-10天极速交付周期,制定规范的生产流程,设立专门的质量检测部门或环节,产品品质经过100%老化测试和100%激光干涉仪测量验证,加工件精度100%经过三次元检测
-
-
一站式服务体验
•我们提供超越传统售后的全周期服务生态。售前免费进行产线效率诊断;收到货物三天内,由于到货与定单要求货物数量、品种、规格、包装等情况不符,我们负责换货或补货。随时配合客户现场或者远程调试,定期了解产品使用情况,7x4小时专家在线,让售后成为第二生产力
采购:SMJ-28-42-微型电动缸系列
- *联系人:
- *手机:
- 公司名称:
- 邮箱:
- *采购意向:
-
*验证码:
跟此产品相关的产品 / Related Products

- 精密XY对位平台-D170系列
- DW定位平台采用DXM无槽直线电机/及盘式DDR为动力,利用交叉滚子导轨与轴环做导向,内高分辨率光栅,实现XYθ三轴联动。是理想的测量仪器和检测设备的定位机构,可用于诸如半导体/液晶相关制造设备和清洁环境下的图像对准处理。

- 精密XY对位平台-D140系列
- DW定位平台采用DXM无槽直线电机/及盘式DDR为动力,利用交叉滚子导轨与轴环做导向,内高分辨率光栅,实现XYθ三轴联动。是理想的测量仪器和检测设备的定位机构,可用于诸如半导体/液晶相关制造设备和清洁环境下的图像对准处理。

- 精密XY对位平台-D112系列
- DW定位平台采用DXM无槽直线电机/及盘式DDR为动力,利用交叉滚子导轨与轴环做导向,内高分辨率光栅,实现XYθ三轴联动。是理想的测量仪器和检测设备的定位机构,可用于诸如半导体/液晶相关制造设备和清洁环境下的图像对准处理。

SMJ 智能传动,非凡品质


全国服务热线

SMJ 智能传动,非凡品质
联系我们
13621558979
快捷导航
解决方案
产品中心
联系我们
江苏省苏州市昆山市玉山镇台虹路9号011号车间4号
JX_SMJ@outlook.com
0512-65870766
扫一扫 了解我们



